【beat365唯一官方网站新闻中心讯 食品与葡萄酒学院】近日,beat365官网食品与葡萄酒学院刘贵珊教授团队在国际食品领域顶级期刊《Comprehensive Reviews in Food Science and Food Safety》(食品科学与工程领域,中科院1区TOP,影响因子15.786)发表题为“A Comprehensive Review of the Principles, Key Factors, Application, and Assessment of Thawing Technologies for Muscle Foods”的综述性论文。刘贵珊为通讯作者,2021级食品科学硕士研究生张远绿为第一作者。

图1 高压静电场解冻系统示意图

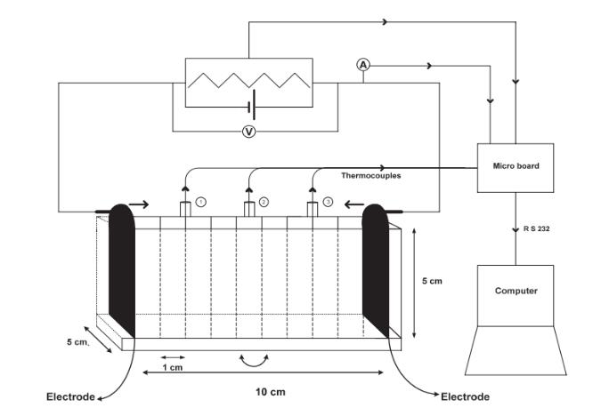
图2 实验室规模欧姆解冻系统示意图
近年来,基于压力、超声、电磁能和电场能等解冻技术得到了广泛的研究,其目的是减少肌肉食品在解冻过程中的汁液损失和减缓品质劣变。然而,现有的微波、超声、超高压、射频、高压静电场等解冻技术由于其高昂的生产成本和显著的技术缺陷,导致了在食品生产应用中的局限性。因此,亟需对影响肌肉食品解冻效果的关键因素进行全面剖析,系统地阐明解冻处理对其品质的影响。本文就新兴解冻技术的原理及关键因素进行了综述,重点讨论了解冻技术的联合应用效果评价。此外,从食用品质、微生物和化学稳定性的角度,系统地评估了解冻技术在肌肉食品上的应用效果。最后,分析了现有解冻技术的缺陷,并展望了回火技术在肌肉食品上的发展前景。
这是beat365官网首次以第一单位在国际食品顶级期刊《Comprehensive Reviewsin Food Science and Food Safety》发表论文,也是国家级一流专业“食品科学与工程”的标志性成果之一,对提升beat365唯一官方网站食品科学与工程学科在国际食品界的学术影响力具有积极意义。该项工作得到国家自然科学基金(31760435),宁夏回族自治区科技创新领军人才项目(2020GKLRLX05)和beat365唯一官方网站研究生创新项目(CXXM202261)的资金支持。
文章链接:Zhang, Y., Liu, G., Xie, Q., Wang, Y., Yu, J., & Ma, X. (2022). A comprehensive review of the principles, key factors, application, and assessment of thawing technologies for muscle foods. Comprehensive Reviews in Food Science and Food Safety, 1–28. https://doi.org/10.1111/1541-4337.13064
(责任编辑:龚旭峰)